芯城品牌采购网 > 品牌资讯 > 温度

光纤温度传感器原理在低温区(400℃以下),辐射信号较弱,系统开启发光二极管(LED)使荧光测温系统工作。发光二极管发射调制的激励光,经聚光镜耦合到Y型光纤的分支端,由Y型光纤并通过光纤耦合器耦合到光纤温度传感头。光纤传感头端部受激励光激发而发射荧光,荧光信号由光纤导出,并通过光纤耦合器从Y型光纤的另一分支端射出,由光电探测器接收。光电探测器输出的光信号经放大后由荧光信号处理系统处理,计算荧光寿命

芯城品牌采购网

13643

冷却液温度传感器-芯城品牌采购网

冷却液温度传感器原理发动机冷却液温度传感器细长的头部与冷却液接触,它的内部装有负温度系数的热敏电阻。如下图1所示,当发动机冷却液温度逐渐升高时,热敏电阻的阻值将逐渐下降,相反则增大,结果发动机冷却液温度发生变化时传感器的输出电压也相应变化。ECU接收冷却液温度传感器传来的信号后,对发动机的喷油时间和点火时间进行修正。冷却液温度传感器电阻的检测冷却水温度传感器的电阻检测可分为就车检测法和单件检查法两

芯城品牌采购网

12628

变压器温度控制器特点1、采用新型抗干扰设计,对于共模与串模干扰均有极强的抑制能力,并满足国家标准对电磁兼容各项指标要求。同时,控制器不用电位器调校,无需用户在现场对各通道作任何调整,使用简单方便。2、具有变压器柜门开启声响报警功能。油浸式变压器温度控制器是用于测量电力变压器变压器油温的测量仪表,仪表采用复合传感器技术,即仪表温包推动弹性元件的同时,能同步输出Pt100热电阻信号,此信号可远传到数

芯城品牌采购网

13619

一体化温度传感器-芯城品牌采购网

一体化温度传感器概述热电阻等温度传感器探头相链接并将温度变送器模块安装在接线盒内,从而形成一体化的温度传感器。一体化温度传感器一般分为热电阻和热电偶,双金属温度计等三种。一体化的温度传感器是由基准单元、R/V转换单元、线性电路、反接保护、限流保护、V/I转换单元等组成。测温热电阻信号转换放大后,再由线性电路对温度与电阻的非线性关系进行补偿,经V/I转换电路后输出一个与被测温度成线性关系的4~20m

芯城品牌采购网

8562

两线制温度变送器参数响应时间:≤2S(10%~90%)测量误差:热电阻0.2℃或0.2%F.S.热电偶:1℃或0.2%F.S.(不包括冷端偿误差)(以上%是相对设定的测量范围,为引用误差。应用时取绝对误差、引用误差的较大值。)温度漂移:≤100ppm℃(环DIN导轨安装,插拔式端子境温度对+20℃的偏离)电压影响:≤±0.01%/V(偏移24V)外壳材料:尼龙PA.66重量:约30克两线制温度变送

芯城品牌采购网

7245

便携式温度校验仪-芯城品牌采购网

便携式温度校验仪技术参数便携式温度校验仪功能热电阻RTD测量/模拟产生热电偶TC测量/模拟产生电阻测量/模拟产生毫伏mV测量/模拟产生电压产生电流产生(内部/外部供电)脉冲产生频率产生电流测量(内部/外部供电)电压测量频率测量脉冲计数内部HART兼容供给24V回路电源开关测试可以添加连接外部压力模块,作为压力校验仪。便携式温度校验仪特点・温度范围从低于环境温度45℃到650℃・快速加热、冷却和设定

芯城品牌采购网

12324

压力式温度计概况压力式温度计以及由此开发的系列化测温仪表,克服了原仪表性能单一,可靠性差以及温包积大的缺点,并将测温元件体积缩小到原来的1/30或1/60,创造性地将传感器热电阻安装于测温元件内,实现了机电一体化的测温功能。形成了以液体压力式温度计为基本测温仪表的远传、防震、防腐、电接点、温度信号变送等多功能系列化温度仪表。分为两个系列,普通型和防爆型。压力式温度计原理该温度计的原理是基于密闭测温

芯城品牌采购网

14981

光纤温度解调器技术参数1支持温度传感器OPTIC3000,OPTIC3001光纤温度传感器2温度精度±0.5℃3光纤端口数量6个SC光纤接口4测温范围-40℃~+125℃/-40~+200℃(根据选定的传感器不同)5温度分辨率12位(0.0625℃)7测温速度10秒,45秒(用户在订购传感器时指定)6报警输出继电器无源接点输出8供电电源10-30Vdc输入,最大电流:150mA.9通讯接口RS-

芯城品牌采购网

10768

低温度系数电阻概述电阻:物质对电流的阻碍作用就叫该物质的电阻。温度系数符号为TCR,单位为PPM/℃。用于表示电阻阻值随温度变化的大小。低温度系数电阻特征一般来说具有低温度系数性能的电阻,都属于精密电阻的范畴。可以一并讨论。高精密贴片电阻主要指公差,阻值误差在1%以内的捷比信电阻。常见的精度有1%,0.25%,0.5%,0.1%,0.05%,0.01%等,也就是常说的百分之一精度,千分之一精度到万

芯城品牌采购网

6826

正温度系数热敏电阻-芯城品牌采购网

正温度系数热敏电阻主要特点1、灵敏度较高,其电阻温度系数要比金属大10~100倍以上,能检测出10-6℃的温度变化;2、工作温度范围宽,常温器件适用于-55℃~315℃,高温器件适用温度高于315℃(目前最高可达到2000℃),低温器件适用于-273℃~55℃;3、体积小,能够测量其他温度计无法测量的空隙、腔体及生物体内血管的温度;4、使用方便,电阻值可在0.1~100kΩ间任意选择;5、易加工成

芯城品牌采购网

6806

电阻型温度变送器简介BD-TR热电阻变送器将温度传感器PT100采集到的温度信号变换为线性输出的直流信号,为PLC系统提供模拟隔离信号。产品符合GB/T13850-1998、IEC-688标准。适用环境工作温度:-10℃~55℃储存温度:-25℃~70℃相对湿度:≤90%RH,不结露,无腐蚀性气体场所海拔高度:≤2500m热电阻型温度变送器选型可将采集到的温度信号-200℃~850℃隔离变送输出

芯城品牌采购网

10905

PT100铂热电阻温度传感器优点1、抗振性能好;2、测温精度高;3、机械强度高,耐高温耐压性能好;4、进口薄膜电阻元件,性能可靠稳定。PT100铂热电阻温度传感器结构测温探头部分采用抗震耐腐材质,使用寿命延长。卡套螺纹固定形式,能调节插入的深度,外加密封元件,加强了密封性,使介质不易外泄。采用高精度铂热电阻元件,测量温度更加精确。引线采用四芯金属屏蔽线,抗干扰性强。PT100铂热电阻温度传感器技术

芯城品牌采购网

6977

KTY84-130温度传感器结构特点KTY84温度传感器芯片结构基于扩散电阻原理,主要成分是硅,硅天性稳定,测量范围内都具有实际在线线性的温度系数,确保了温度测量的高精确度。所以此类具有“精度高、可靠性高和稳定性强以及正温度系数”的特点。KTY84-130温度传感器性能特征性能特征是根据测量范围-40℃至+300℃内的温度变化,电阻值大致从300Ω~2700Ω左右基本呈线性变化。KTY84-130

芯城品牌采购网

14784

KTY84温度传感器规格介绍KTY84系列的传感器温度范围是-40℃~300℃,可用于排气系统和加热系统的温度测量。KTY84温度传感器性能特征1、测量温度范围-40℃~300℃电阻值大致从300Ω~2700Ω左右基本呈线性变化。2、精度等级0.5%。3、公称压力约1MPa。4、高温电缆直接出线,便于与其它电器设备连接。5、适用于各种介质工业管道和狭小空间设备测温。KTY84温度传感器功能KTY8

芯城品牌采购网

9975

热电阻温度传感器简介热电阻温度传感器是利用导体或半导体的电阻值随温度变化而变化的原理进行测温的一种传感器温度计。热电阻温度传感器分为金属热电阻和半导体热敏电阻两大类。热电阻广泛用于测量-200~+850°C范围内的温度,少数情况下,低温可测至1K,高温达1000°C。热电阻传感器由热电阻、连接导线及显示仪表组成,热电阻也可以与温度变送器连接,将温度转换为标准电流信号输出。用于制造热电阻的材料应具有

芯城品牌采购网

14190

电阻温度系数简介随着大规模集成电路向深次微米时代发展,制程的可控制范围将变得更加狭窄,对集成电路可靠性的要求也不断提高。集成电路制造商需要更多的在线、实时监控手段来保证生产线上的良率与产品的可靠性。由于对集成电路组件容量要求愈来愈大但相对于芯片尺寸要求愈来愈小,因此,金属互连层在产品的可靠性方面扮演着越来越重要的角色。芯片级的应力迁移(StressMigration)测试、恒温电迁移测试(Iso-

芯城品牌采购网

10387

KSD301温度继电器动作原理KSD301温控器是一种将定温后的双金属圆片作为热敏感反应组件,当产品主件温度增高时所产生的热量传递到双金属圆片上,达到动作温度设定时迅速动作,通过机构作用使触点断开或闭合;当温度下降到复位温度设定时,双金属圆片迅速恢复原状,使触点闭合或断开,达到接通或断开电路的目的,从而控制电路。KSD301温度继电器特点具有性能稳定、精度高、体积小、量轻、可靠性高、寿命长、对无线

芯城品牌采购网

12486

不懂模拟电路设计,如何完成温度信号采集?-芯城品牌采购网

常规的电路方案1.使用ADI和TI公司的高集成ADC芯片完成采集。电路需要少量的外围无源元件,先从ADC读取采样值,再在MCU中进行查表换算,将采样值换算成温度值。2.使用国产的信号链芯片自行搭建。随着国内基础模拟信号链芯片的日益完善,考虑使用国产器件完成同等性能的电路,如图1。这样能降低物料供应链的风险、进一步优化成本,实现温度采集,这类基础物理量采集电路的自主可控。图1电路主要由24位SD型A

芯城品牌采购网

9577

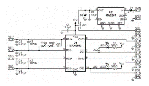
基于MAX6603信号调理器的PC温度测量系统的步骤-芯城品牌采购网

本应用笔记是基于PC的温度测量系统的参考设计。它使用MAX1396和MAX6603EVKIT,MAXQ2000微控制器和MAX6603信号调理器。该设计提供了一种简便的方法,无需复杂的转换公式即可从MAX6603获取温度读数。提供了原理图,框图和软件。简介该参考设计概述了如何使用MAX1396,MAX6603EVKIT和MAXQ2000评估基于MAX6603信号调理器的基于PC的温度测量系统的步骤

芯城品牌采购网

8305

Vishay新款高温NTC热敏电阻适合应用于汽车高精度温度检测-芯城品牌采购网

日前,VishayIntertechnology,Inc.(NYSE股市代号:VSH)宣布,推出新款符合AEC-Q200标准的NTC热敏电阻---NTCLE350E4,采用PEEK绝缘镍铁(NiFe)合金引线,热梯度低。VishayBCcomponentsNTCLE350E4热敏电阻耐高温达+185C,适合各种汽车应用快速、高精度温度检测。NiFe合金NTCLE350E4传感器导线导热性目前在市场

芯城品牌采购网

9531